HS50
作者:菏澤海神機械制造有限公司 發布時間:2017-10-25 本文被閱讀 2289 次



POSEIDON/海之神系列結構、性能優勢
一、鎖模部件
1.靜模板結構經優化設計,綜合強度大幅度提高,確保模具變形程度zui小,產品成型精度更高。
2.動模板及尾板采用全連體結構并經優化設計,綜合強度大幅度提高,動模板、尾板均與大鎖軸無相對運動,實現動模板、尾板零磨損,售后服務更簡單、維護成本更低廉。
3.動模板支撐滑板部件采用斜墊鐵(鋅基合金)調整結構,潤滑效果更好,動模板高度調整更方便。
4.前連桿采用連體結構,綜合強度更好,精度更高、裝配更容易、維護更簡單。
5.推力座采用連體結構,綜合強度更好,推力座與小鎖軸無相對運動,實現推力座零磨損,售后更簡單、維護成本更低廉。
6.全部機鉸(長鉸、鉤鉸、小鉸)結構經優化設計,綜合強度更好,開合模動作更加敏捷、平穩。
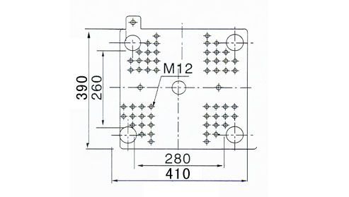
7.靜模板、動模板均采用碼模T型槽與碼模螺紋孔組合設計,碼模方式更靈活,碼模更方便,磨具通用性更好。
8.鎖模,頂出油缸采用雙重密封結構,確保無液壓油泄漏。
二、注射、預塑部件
1.導桿支座采用整體橋型結構,綜合強度大幅度提高,注射、熔膠動作更加平穩,對中調整更方便。
2.螺桿長徑比更大設計,預塑熔膠更優。
3.注射、射移油缸采用雙重密封結構,確保無液壓油泄漏。
| 下一條:HS100... | 上一條:HS120... |







